气象传感器-微型气象仪厂家价格型号 网站地图
气象传感器生产厂家

做微型气象仪,防爆气象传感器优良供应商

咨询热线:
13276363313
电话
土壤养分测定仪-恒美农业仪器
位置 您当前位置:首页>>产品展示>>能见度传感器
路面状况传感器

路面状况传感器

发布时间:2024-05-06 16:18:37

型号:TH-LM1

品牌:ITB8888通博

路面状况传感器是一种用于监测和评估道路表面状态的技术设备,这些传感器可以采用多种技术,包括遥感技术、激光测量技术、图像处理技术和机器学习方法等,以实现对路面的实时监控和数据分析。

产品描述

一、路面状况传感器产品介绍

TH-LM1系列非接触式路面状态检测器,它采用遥感技术,避免了对道路的破坏,从而不会因为安装道路气象站引起的对交通的干扰。多光谱测量技术使得能准确检测道出道路表面结冰、积雪和积水的存在状态和厚度,同时还能实时监测影响交通安全的大雾、雨和雪等天气现象。


二、路面状况传感器功能

l检测路面积水、积雪、结冰状态

l远距离遥感检测路面、桥面状况

l非埋入式安装快捷简便

l车流量和事故多发区域

l雨雪多发区域

l维护成本低


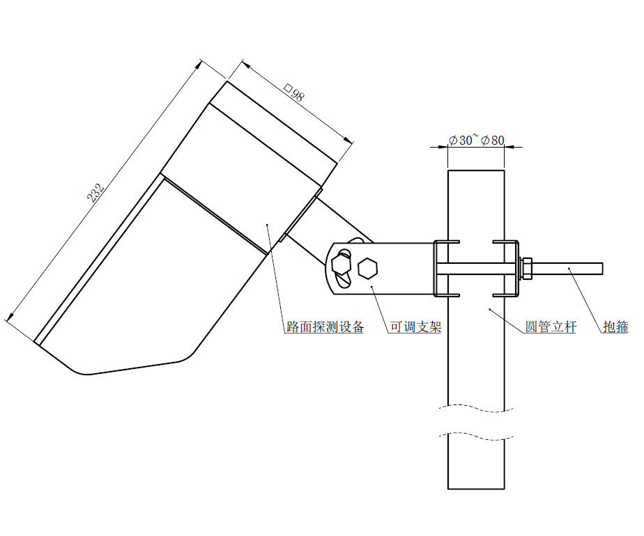
三、路面状况传感器产品尺寸图

路面状况传感器产品尺寸图

四、路面状况传感器主要指标

型号

TH-LM3(停售)

TH-LM1

检测距离及检测区域直径

2-8米;23cm

对水平线的安装角度

30-80度

电源及功耗

DC12-24V;   0.6W

工作温度和湿度

温度:-40 ºC 至 +60 ºC  ;  湿度:0 至 95%

积水厚度

-

0-10 mm

覆冰厚度

-

0-2 mm

积雪厚度

-

0-2 mm

湿滑程度

-

0.01(湿滑)-0.82(摩擦强)

路面状态报告

干燥、 潮、 湿、 雪、 冰、 冰水混合

公路天气现象(选配)

 路面温度: -40 ºC 至 +60 ºC

天气现象:  雨;雪;大雾

路面材料

混凝土、沥青路面

通讯

RS485、RS232


文章地址:http://www.hongxinzixun.com/bjdcgq/1142.html
返回
ITB8888通博
网站地图