气象传感器-微型气象仪厂家价格型号 网站地图
气象传感器生产厂家

做微型气象仪,防爆气象传感器优良供应商

咨询热线:
13276363313
电话
土壤养分测定仪-恒美农业仪器
金属款六要素气象传感器

金属款六要素气象传感器

发布时间:2023-12-08 17:34:26

型号:TH-Y6S

品牌:ITB8888通博

云境ITB8888通博TH-Y6S金属款六要素气象传感器是一款能够监测环境温度、相对湿度、风速、风向、大气压力、压电雨量六个气象参数的气象传感器设备,金属款六要素气象传感器气象参数能够通过云平台发送给客户,可实时查看数据。

产品描述

一、金属款六要素气象传感器产品简介

山东ITB8888通博环境科技有限公司作为专业研发生产销售微型气象仪的企业,一直致力于微型气象仪和气象环境解决方案推广应用。具有完整的生产链、实力雄厚的技术团队和全面的营销团队,我们研发生产的超声波风速风向仪、五要素微气象仪、六要素微气象仪和小型自动气象站等气象产品,已广泛应用到气象监测、城市环境监测、风力发电、航海船舶、航空机场、桥梁隧道等领域,客户遍布全国各地,并取得了良好的社会效益和经济效益。

TH-Y6S型六要素微气象仪原理为发射连续变频超声波信号,通过测量相对相位来检测风速风向。与传统的超声波风速风向仪相比,我司产品克服了对高精度计时器的需求,避免了因传感器启动延时、解调电路延时、温度变化而造成的测量不准问题。

TH-Y6S型六要素微气象仪创新性地将气象标准六参数(环境温度、相对湿度、风速、风向、大气压力、压电雨量)通过一个高集成度结构来实现,可实现户外气象参数24小时连续在线监测,通过数字量通讯接口将六项参数一次性输出给用户。


二、金属款六要素气象传感器产品特点

1、顶盖隐藏式超声波探头,避免雨雪堆积的干扰,避免自然风遮挡

2、原理为发射连续变频超声波信号,通过测量相对相位来检测风速风向

3、风速、风向、温度、湿度、大气压力、压电雨量六要素一体式

4、采用先进的传感技术,实时测量,无启动风速☆

5、抗干扰能力强,具有看门狗电路,自动复位功能,保证系统稳定运行

6、高集成度,无移动部件,零磨损

7、免维护,无需现场校准

8、采用不锈钢材质,强度高、抗氧化、抗腐蚀

9、产品设计输出信号标配为RS485通讯接口(MODBUS协议);可选配232、USB、以太网接口,支持数据实时读取☆

10、可选配外置无线传输模块,最小传输间隔1分钟

11、可选配内置加热模块:加热电流1A(DC12V),加热功耗12-15W

12、一体式设计磨损小、使用寿命长、响应速度快


三、金属款六要素气象传感器技术参数

1、风速:0~60m/s(±0.1m/s);

2、风向:0~360°(±2°);

3、空气温度:-40-60℃(±0.3℃);

4、空气湿度:0-100%RH(±3%RH);

5、大气压力:300-1100hpa(±0.25%);

6、压电雨量:0-4mm/min(±4%)

7、功率:1.08W


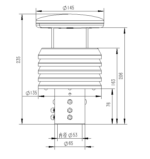
四、金属款六要素气象传感器产品尺寸图

 金属款六要素气象传感器产品尺寸图

五、金属款六要素气象传感器产品结构图

金属款六要素气象传感器产品结构图

六、金属款六要素气象传感器注意事项

1.传感器水平周围1米半径无遮挡,避免水滴飞溅影响

2.传感器安装位置应避开强机械振动源

3.传感器安装上方应为开阔区域,雨滴应直接滴落至传感器,应免二次滴落和连续水流冲击


文章地址:http://www.hongxinzixun.com/jinqx/1094.html
返回
ITB8888通博
网站地图