气象传感器-微型气象仪厂家价格型号 网站地图
气象传感器生产厂家

做微型气象仪,防爆气象传感器优良供应商

咨询热线:
13276363313
电话
土壤养分测定仪-恒美农业仪器
空气质量气象仪

空气质量气象仪

发布时间:2022-03-01 13:18:17

型号:TH-B6B

品牌:ITB8888通博

空气质量气象仪是一款集空气质量检测和气象数据监测于一身的仪器。该仪器能够实时检测空气中的空气温度、湿度、pm2.5、pm10、噪声、光照等重要指标,并同时提供当前天气状况、温度、湿度、风速、风向等气象数据。

产品描述

一、空气质量气象仪产品简介

山东ITB8888通博环境科技有限公司作为专业研发生产销售微型气象仪的企业,一直致力于微型气象仪和气象环境解决方案推广应用。具有完整的生产链、实力雄厚的技术团队和全面的营销团队,我们研发生产的超声波风速风向仪、五要素微气象仪、六要素微气象仪和小型自动气象站等气象产品,已广泛应用到气象监测、城市环境监测、风力发电、航海船舶、航空机场、桥梁隧道等领域,客户遍布全国各地,并取得了良好的社会效益和经济效益。

与传统的微型气象仪相比,我司产品克服了对高精度计时器的需求,避免了因传感器启动延时、解调电路延时、温度变化而造成的测量不准问题。

TH-WQX6B型空气质量气象仪创新性地将空气温度、湿度、pm2.5、pm10、噪声、光照通过一个高集成度结构来实现,可实现户外气象参数24小时连续在线监测,通过数字量通讯接口将六项参数一次性输出给用户。


二、空气质量气象仪产品特点

1、空气温度、湿度、pm2.5、pm10、噪声、光照六要素一体式

2、抗干扰能力强,具有看门狗电路,自动复位功能,保证系统稳定运行

3、高集成度,无移动部件,零磨损

4、免维护,无需现场校准

5、采用ASA工程塑料室外应用常年不变色

6、产品设计输出信号标配为RS485通讯接口(MODBUS协议);可选配232、USB、以太网接口,支持数据实时读取☆

7、可选配无线传输模块,最小传输间隔1分钟


三、空气质量气象仪技术参数

1)空气温度:-40℃~85℃(±0.3℃);

2)空气湿度:0~100%RH(±2%RH);

3)PM2.5:0-1000ug/m3(±15%)

4)PM10:0-1000ug/m3(±15%)

5)噪声:30~120dB(±1.5dB)

6)光照:0-20W LUX(5%)


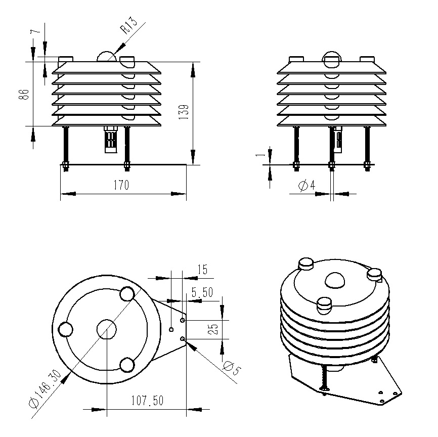
四、空气质量气象仪产品尺寸图

 空气质量气象仪产品尺寸图

五、空气质量气象仪产品结构图

 空气质量气象仪产品结构图



文章地址:http://www.hongxinzixun.com/kqzlqx/309.html
返回
ITB8888通博
网站地图