气象传感器-微型气象仪厂家价格型号 网站地图
气象传感器生产厂家

做微型气象仪,防爆气象传感器优良供应商

咨询热线:
13276363313
电话
土壤养分测定仪-恒美农业仪器
温湿度大气压噪声传感器

温湿度大气压噪声传感器

发布时间:2022-03-01 11:49:14

型号:TH-B4

品牌:ITB8888通博

温湿度大气压噪声传感器是一种多功能的检测设备,它可以同时监测环境的温度、湿度、大气压力以及噪声级别,这种传感器具有较强的抗干扰能力,并配备看门狗电路和自动复位功能,以保证其在各种环境下都能稳定运行。

产品描述

一、温湿度大气压噪声传感器产品简介

山东ITB8888通博环境科技有限公司作为专业研发生产气象传感器的企业,一直致力于气象传感器和气象环境解决方案推广应用。具有完整的生产链、实力雄厚的技术团队和全面的营销团队,我们研发生产的传感器已广泛应用到智慧农业、气象监测、城市环境监测、风力发电、航海船舶、航空机场、桥梁隧道等领域,客户遍布全国各地,并取得了良好的社会效益和经济效益。


二、温湿度大气压噪声传感器产品特点

1、抗干扰能力强,具有看门狗电路,自动复位功能,保证系统稳定运行

2、高集成度,无移动部件,零磨损

3、免维护,无需现场校准

4、采用ASA工程塑料室外应用常年不变色

5、产品设计输出信号标配为RS485通讯接口(MODBUS协议);可选配232、USB、以太网接口,支持数据实时读取☆

6、可选配无线传输模块,最小传输间隔1分钟


三、温湿度大气压噪声传感器技术参数

1、空气温度:-40-60℃(±0.3℃);

2、空气湿度:0-100%RH(±3%RH);

3、大气压力:30-110Kpa(±0.25%);

4、噪声:30-120dB(±1.5dB)

5、功率:0.12W


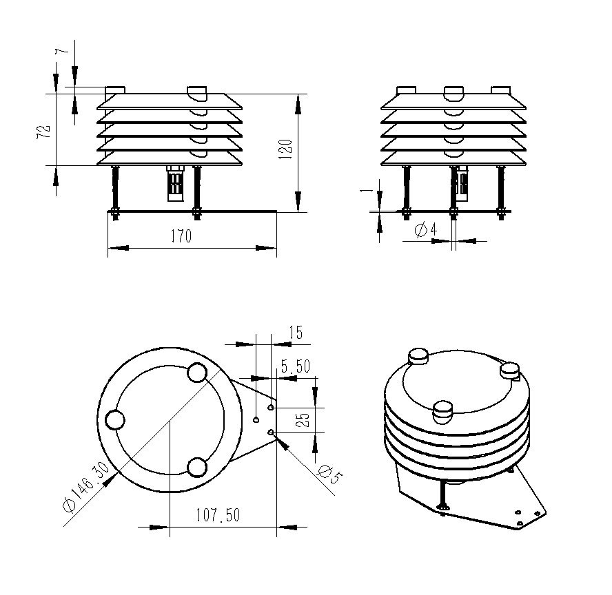
四、温湿度大气压噪声传感器产品尺寸图

温湿度大气压噪声传感器产品尺寸图

五、温湿度大气压噪声传感器产品结构图

温湿度大气压噪声传感器产品结构图



文章地址:http://www.hongxinzixun.com/kqzlqx/318.html
返回
ITB8888通博
网站地图